The DNA 250 Color is a power regulated digital switch-mode DC-DC converter for personal vaporizers. It features Evolv's patented Wattage Control, patent-pending Replay and Temperature Protection, Preheat, Onboard Buttons, Synchronous Rectification for maximum battery life and minimal heat generation, and a 160 x 80 pixel Color TFT Screen. The DNA 250 Color runs from a 2, 3, or 4 cell lithium polymer battery, and features cell-by-cell battery monitoring and an integrated 2A balance charger.
Evolv's EScribe 2.0 and Theme Designer software can be used to make the DNA 250 Color look and act exactly like you want. Designed for ease of use while allowing complete customization, the DNA 250 Color is vaping down to a science.
For stock alerts please follow us on Twitter @evolvapor
$79.99-DNA 250 Color w/Screen (Lead Time: ~4 weeks)
Need a replacement for your cracked or malfunctioning DNA screen? These 160x80 color TFT screens will fit the bill.
For stock alerts please follow us on Twitter @evolvapor
$12.00-DNA Replacement Color Screen
EScribe Suite is a collection of software for configuring, monitoring, and modifying the operation of your DNA 250 Color. It installs on a Windows or Mac computer and connects to your DNA 250 Color using the USB port.
Click Here to Download EScribe Suite US Edition for Windows
Click Here to Download EScribe Suite US Edition for Mac
Click Here to Download EScribe Suite International Edition for Windows
Click Here to Download EScribe Suite International Edition for Mac
Click Here to Download EScribe Suite for Linux Beta
3D Models
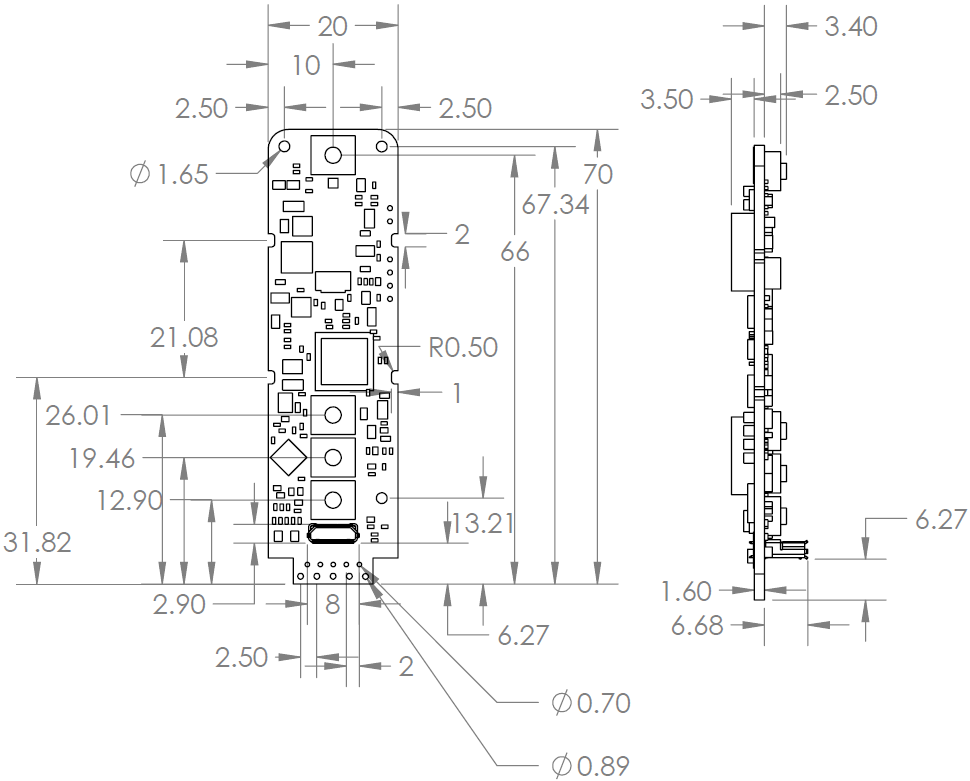
Dimensioned Drawings
Board Front view - measured in millimeters
Board Side view - measured in millimeters
Documentation
DNA 250 ColorThe Evolv DNA Forum is a place to find official technical assistance, documentation, firmware and software updates, themes, and other information about Evolv DNA devices.